样片申请 | 简体中文
SiLM22868
600V, 4A/4A 高压半桥驱动
样片申请
SiLM22868 Datasheet
产品概述
产品特性
安规认证
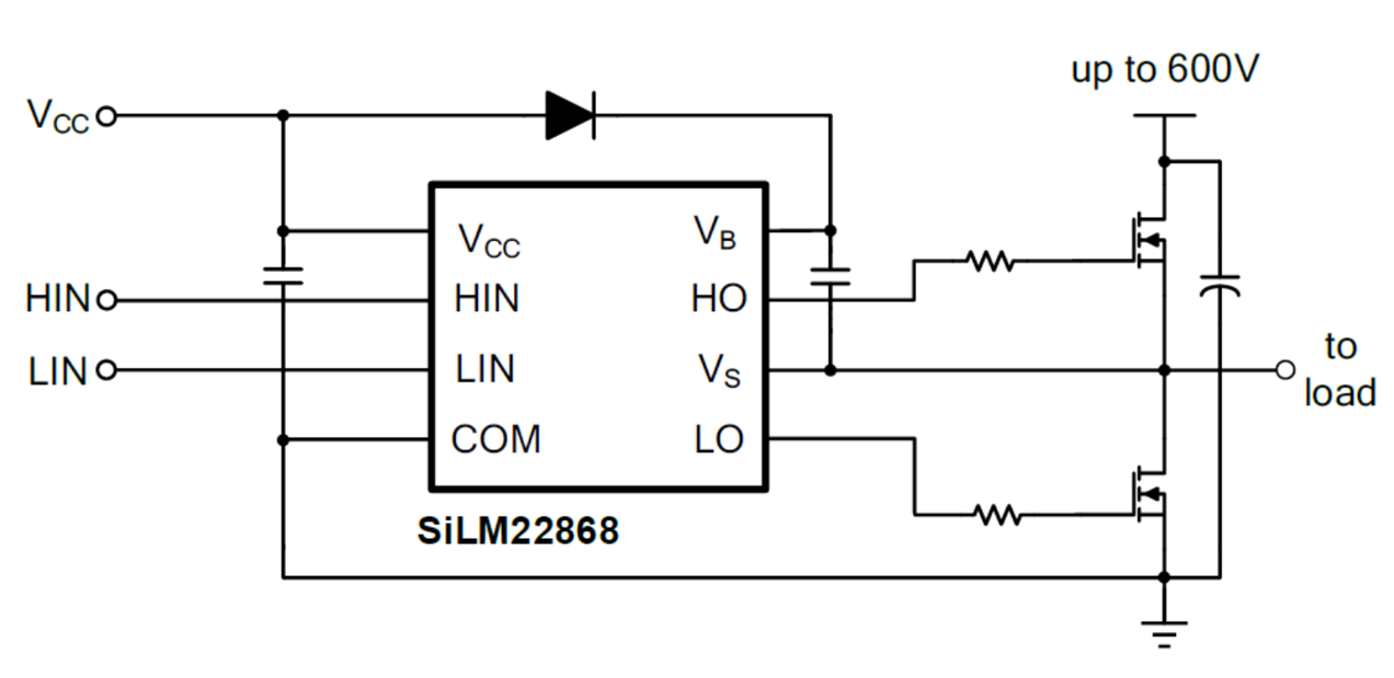
典型应用图
产品概述

SiLM22868 是一款高压、高速的功率 MOSFET 和 IGBT 驱动器,它提供高边、低边输出驱动信号。采用专有的高压集成电路和锁存免疫 CMOS 技术,提供可靠的单芯片驱动方案。逻辑输入电平与标准 CMOS 或 LSTTL 输出兼容,最低支持 3.3V 逻辑。输出驱动器具有高脉冲电流缓冲级,以减小驱动器交叉导通。延时匹配很方便应用于高频设备。浮动通道可用于驱动高边配置的 N 型沟道功率 MOSFET 或 IGBT,工作电压可高达 600V。

产品特性

为自举供电设计的浮动通道

全电压范围运行达 600V

允许瞬态负电压,不受 dV/dt 影响

驱动电源 VCC 范围从 7V 到 22V

高边和低边欠压闭锁

3.3V,5V 逻辑兼容

输入有下拉电阻的 COMS 斯密特触发器

高低边防直通互锁逻辑

两通道间匹配传输延时

输入输出同相

典型开通/关断延时:170ns/170ns

典型驱动电流:4A/4A

安规认证
典型应用图

1770888127756.png

产品参数表

展开过滤器
Part Number Power Switch IOH/IOL (A) Bus voltage (Max)(V) Input VCC (V) Ton/Toff Typ(ns) Tr/Tf Typ(ns) Deadtime Typ(ns) Delay Match Max(ns) Operating Temp(℃) Package Group Packing/QTY
SiLM22868CA-DGIGBT/ MOSFET4.0/4.06007 ~ 22170/1709/935-40 ~ 125SOP8Reel/2500
应用案例