样片申请 | 简体中文
SiLM27531
单通道 30V, 5A/5A 高欠压保护阈值的高速低边门极驱动
样片申请
SiLM27531AQ Datasheet SiLM27531 Datasheet
产品概述
产品特性
安规认证
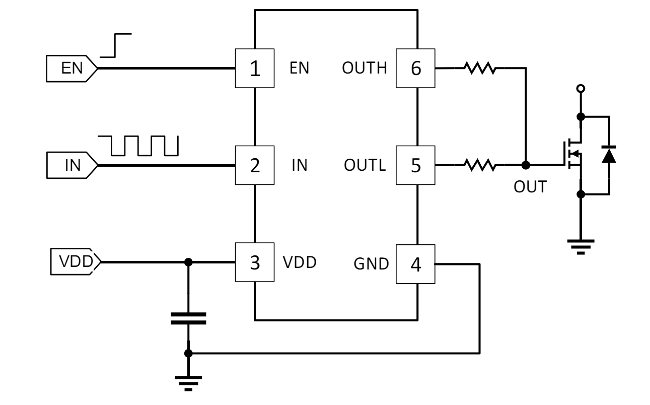
典型应用图
产品概述

SiLM27531 是一款输入电源高至30V,单通道输出的低边驱动器,能有效的驱动MOSFET和IGBT,内部能有效的避免驱动电路短路发生。SiLM27531 具有轨对轨的电流驱动能力、并且提供输入输出短至21ns的极小延时。在电源电压为18V的情况下,输出具备5A的拉电流和灌电流能力。


产品特性

低成本的门极驱动方案可用于替代 NPN和 PNP 分离器件方案

TTL和CMOS兼容输入逻辑阀值

反向和非反向输入配置

驱动电源范围从9V到30V

输入悬空时,输出保持低电平

欠压闭锁

典型开通/关断延时:21ns/21ns

典型上升/下降时间:9ns/8ns

典型驱动电流:5A/5A


安规认证
典型应用图

1764666136759.png

产品参数表

展开过滤器
Part Number Power Switch IOH/IOL(A) Input VCC (V) Prop. Delay(ns) Tr/Tf Typ. (ns) Operating Temp(℃) Package Group Packing/QTY
SiLM27531HAC-7GIGBT/MOSFET/SiC/GaN5.0/5.013.5 ~ 3021/219/8-40 ~125SOT23-6Reel/3000
SiLM27531MAC-7GIGBT/MOSFET/SiC/GaN5.0/5.09 ~ 3021/219/8-40 ~125SOT23-6Reel/3000
SiLM27531HAC-AQIGBT/MOSFET/SiC/GaN5.0/5.013.5 ~ 3021/219/8-40 ~125SOT23-6Reel/3000
SiLM27531MAC-AQIGBT/MOSFET/SiC/GaN5.0/5.09 ~ 3021/219/8-40 ~125SOT23-6Reel/3000
应用案例