样片申请 | 简体中文
SLM2106S
600V, 290mA/600mA高压半桥驱动
样片申请
SLM2106S Datasheet
产品概述
产品特性
安规认证
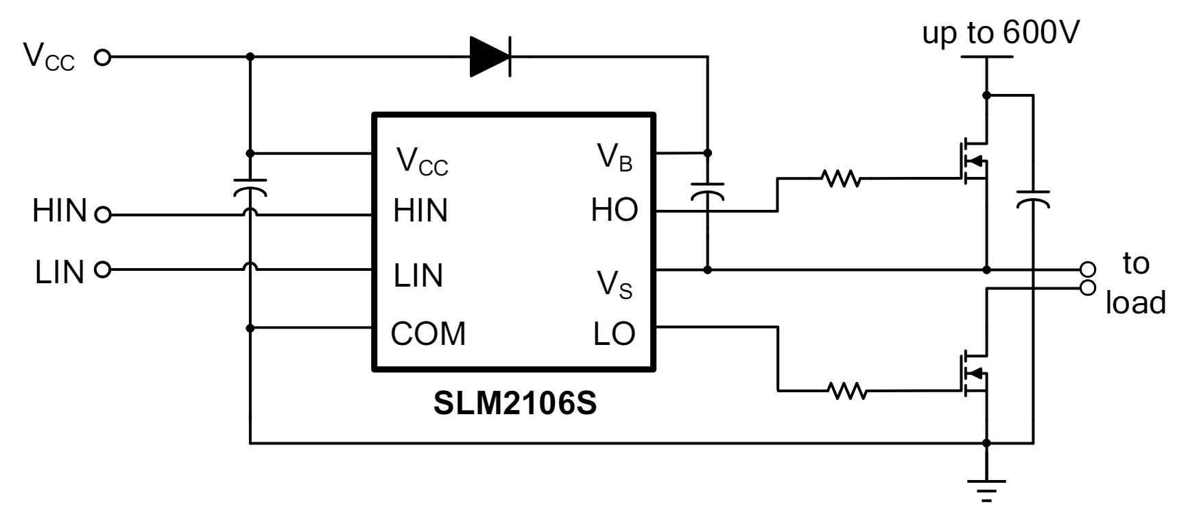
典型应用图
产品概述

SLM2106S是一款高压、高速的功率MOSFET和IGBT驱动器,它提供独立的高边、低边输出驱动信号。采用专有的高压集成电路和锁存免疫CMOS技术,提供可靠的单芯片驱动方案。逻辑输入电平与标准CMOS或LSTTL输出兼容,最低支持3.3V逻辑。输出驱动器具有高脉冲电流缓冲级,以减小驱动器交叉导通。浮动通道可用于驱动高边配置的N型沟道功率MOSFET或IGBT,工作电压可高达600V。

产品特性

为自举供电设计的浮动通道

全电压范围运行达600V

允许瞬态负电压,不受dV/dt影响

驱动电源范围从10V到20V

欠压闭锁

3.3V,5V和15V逻辑兼容

两通道间匹配传输延时

防止交叉导通逻辑

典型开通/关断延时:160ns/220ns

典型驱动电流:290mA/600mA

输入输出同相

SOP8,SOP14封装

安规认证
典型应用图

1769053089008.png

产品参数表

展开过滤器
Part Number Power Switch IOH/IOL (A) Bus voltage (Max)(V) Input VCC (V) Ton/Toff Typ(ns) Tr/Tf Typ(ns) Deadtime Typ(ns) Delay Match Max(ns) Operating Temp(℃) Package Group Packing/QTY
SLM2106SCA-13GTRIGBT/ MOSFET0.29/0.660010-20160/22070/35N/A30-40-125SOP8Reel/2500
SLM2106SCJ-13GTRIGBT/ MOSFET0.29/0.660010-20160/22070/35N/A30-40-125SOP14Reel/4000
应用案例